Ruichen loopt voorop in de innovatie van afdichttechnologie. De onafhankelijk ontwikkelde onderdrukstofafdichtingen verankeren precies de stofveilige eisen van bewegende delen en gebruiken PTFE-stofringen en O-ringen om uitstekende bescherming te creëren. Tijdens het werken past de O-ring een stabiele voorspanning toe om de slijtage van de PTFE-ring te allen tijde te compenseren, waardoor de stabiliteit van de afdichting op lange termijn wordt gewaarborgd; De stofring maakt gebruik van anti-sleutelvulmaterialen om stofinvasie sterk te weerstaan. Bijvoorbeeld, in de gewrichten van de hydraulische cilinders van bouwmachines, geconfronteerd met het stof op de bouwplaats, blokkeren hogedrukstofafdichtingen effectief de inbreuk op het stof en zorgen voor een soepele werking van de cilinder; De bewervingsschommel van de robotarm van de geautomatiseerde productielijn, zijn stofafdichtingen beschermen precisieonderdelen tegen stofinterferentie en handhaven zeer nauwkeurige operaties; en het spiraalvormige transportapparaat van de mijnbouwapparatuur, in de omgeving van ertsstof, hogedrukstofafdichtingen zorgen voor een stabiele werking van de apparatuur, verminderen potentiële fouten en verlengt de levensduur van de apparatuur. Ruichen Sealing richt zich al lang op diepgaande ontwikkeling. Vertrouwen op een professioneel team en geavanceerde faciliteiten, kan het niet alleen high-performance afdichtingsmaterialen aanpassen volgens de behoeften van de klant en onafhankelijk de productiekwaliteit regelen, maar ook rijke en diverse materialen zoals polyoxymethyleen reserveren, waardoor klanten verschillende afdichtingsproblemen in één stop en samenwerken om nieuwe hoogten in de industrie te bereiken te bereiken.
Stofvrije afdichtingsomstandigheden
| Profiel | Model | Temperatuur (℃) | Snelheid (m/s) | Media |
![]() |
RCF01 | -35 ~+100 (bijpassende O-ring NBR) | 6 | Hydraulische olie, emulsie, water, etc. |
| -20 ~+200 (bijpassende O-ring FKM) | ||||
![]() |
RCF02 | -35 ~+100 (bijpassende O-ring NBR) | 6 | Hydraulische olie, emulsie, water, etc. |
| -20 ~+200 (bijpassende O-ring FKM) | ||||
![]() |
RCF03 | -35 ~+100 (bijpassende O-ring NBR) | 6 | Hydraulische olie, emulsie, water, etc. |
| -20 ~+200 (bijpassende O-ring FKM) | ||||
![]() |
RCF04 | -35 ~+100 (bijpassende O-ring NBR) | 6 | Hydraulische olie, emulsie, water, etc. |
| -20 ~+200 (bijpassende O-ring FKM) | ||||
![]() |
RCF05 | -35 ~+100 (bijpassende O-ring NBR) | 6 | Hydraulische olie, emulsie, water, etc. |
| -20 ~+200 (bijpassende O-ring FKM) |
Bestel voorbeeld:
Bestelmodel RCF01-80-PTFE3-R01
RCF01-model 80-as diameter PTFE3-universele gemodificeerde PTFE R01-matching rubber materiaalcode
Nitrilrubber (NBR) -R01 Fluororubber (FKM) -R02
Bestelmodel RCF02-80-PTFE3-R01
RCF02-model 80-as diameter PTFE3-generaal Modified PTFER01-matching rubbermateriaalcode
NBR (NBR) -R01 Fluororubber (FKM) -R02
Bestelmodel RCFO3-80-PTFE3 -R01
RCF03-model 80-as diameter PTFE3-generaal Modified PTFE R01-matching rubber materiaalcode
Nitrilrubber (NBR) -R01 Fluororubber (FKM) -R02
Bestelmodel RCF04-80-PTFE3-R01
RCF04-model 80-as diameter PTFE3-generaal Modified PTFE R01-matching rubber materiaalcode
Nitrilrubber (NBR) -R01 Fluororubber (FKM) -R02
Bestelmodel RCF04-80-PTFE3-R01
RCF04-model 80-as diameter PTFE3-generaal Modified PTFE R01-matching rubber materiaalcode
Nitrilrubber (NBR) -R01 Fluororubber (FKM) -R02
Bestelmodel RCF05-80-PTFE3-R01
RCF05-model 80-as diameter PTFE3-generaal Modified PTFE R01-matching rubber materiaalcode
Nitrilrubber (NBR) -R01 Fluororubber (FKM) -R02
Specificaties:
| RCF01 -specificaties (producten van elke grootte binnen het parameterbereik kunnen worden verstrekt) | ||||||
| Schacht diameter bereik D F8 |
Groefdiameter D H9 |
Groefbreedte L+0.2 |
Open gatdiameter D1 H11 |
Open gatbreedte een ≥ |
Afgeronde hoeken R≤ |
O-ring draaddiameter D0 |
| 19 ~ 39 | D+7.6 | 4.2 | D+1.5 | 3 | 0.8 | 2.65 |
| 40 ~ 69 | D+8.8 | 6.3 | D+1.5 | 3 | 0.8 | 2.65 |
| 70 ~ 139 | D+12.2 | 8.1 | D+2.0 | 4 | 0.8 | 3.55 |
| 140 ~ 399 | D+16.0 | 9.5 | D+2.5 | 5 | 1.5 | 5.30 |
| 400 ~ 649 | D+24.0 | 14 | D+2.5 | 8 | 1.5 | 7.00 |
| 650 ~ 1500 | D+27.3 | 16 | D+2.5 | 10 | 2.0 | 8.60 |
| RCF02, RCF03 Specificatie Parameter Tabel (producten van elke grootte binnen het parameterbereik kunnen worden verstrekt) | ||||||
| Schacht diameter bereik D F8 |
Groefdiameter D H9 |
Groefbreedte L+0.2 |
Open gatdiameter D1 H11 |
Open gatbreedte een ≥ |
Afgeronde hoeken R≤ |
O-ring draaddiameter D0 |
| 4 ~ 11 | D+4.8 | 3.7 | D+1.5 | 2 | 0.4 | 1.8 |
| 12 ~ 64 | D+6.8 | 5 | D+1.5 | 2 | 0.7 | 2.65 |
| 65 ~ 250 | D+8.8 | 6 | D+1.5 | 3 | 1.0 | 3.55 |
| 251 ~ 420 | D+12.2 | 8.4 | D+2.0 | 4 | 1.5 | 5.30 |
| 421 ~ 650 | D+16.0 | 11 | D+2.0 | 4 | 1.5 | 7.00 |
| 651 ~ 1500 | D+20.0 | 14 | D+2.5 | 5 | 2.0 | 8.60 |
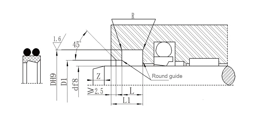
| RCF04 Specificatie Parameter Tabel (producten van elke grootte binnen het parameterbereik kunnen worden verstrekt) | ||||||
| Schacht diameter bereik D F8 |
Groefdiameter Dh9 |
Stappendiameter D1 H11 |
Groefbreedte L+0.2 |
Totale breedte L1 |
Ronde hoeken Rmax | Afschuining Zan |
| 20 ~ 39.9 | D+7.6 | D+1 | 4.2 | 8.2 | 0.4 | 3 |
| 40 ~ 69.9 | D+8.8 | D+1.5 | 6.3 | 10.3 | 1.2 | 4 |
| 70 ~ 139.9 | D+12.2 | D+2.0 | 8.1 | 12.1 | 2 | 6 |
| 140 ~ 399.9 | D+16.0 | D+2.0 | 11.5 | 15.5 | 2 | 8 |
| 400 ~ 649.9 | D+24.0 | D+2.5 | 15.5 | 19.5 | 2 | 10 |
| 650 ~ 1000 | D+27.3 | D+2.5 | 18.0 | 23.0 | 2 | 12 |
| RCF05 Specificatie Parameter Tabel (producten van elke grootte binnen het parameterbereik kunnen worden verstrekt) | ||||||
| Schacht diameter bereik D F8 | Groefdiameter Dh9 | Stappendiameter D1 H11 | Groefbreedte L+0.2 |
Zijbreedte L1 |
Ronde hoeken Rmax |
Afschuining Zan |
| 100 ~ 229 | D+22.2 | D+10.7 | 6.3 | 4.2 | 1.2 | 6 |
| 230 ~ 299 | D+24.2 | D+10.7 | 6.3 | 4.2 | 1.2 | 8 |
| 300 ~ 629 | D+33.0 | D+15.1 | 8.1 | 6.3 | 1.2 | 10 |
| 630 ~ 1000 | D+36.5 | D+15.1 | 9.5 | 6.3 | 2 | 12 |
Sollicitatie:
Voornamelijk gebruikt in agrarische machines, hydraulische persen, spuitgietmachines, hydraulische besturingssystemen, vorkheftrucks, rolpersen, kranen, laad- en losmachines, enz.











Adres
No.1 Ruichen Road, Dongliuting Industrial Park, Chengyang District, Qingdao City, provincie Shandong, China
Tel
E-mailen