We richten ons op de gediversifieerde behoeften op het gebied van zuigerafdichtingen en bieden krachtige oplossingen voor alle scenario's van hydraulica en pneumatiek. Onze productlijn is onderverdeeld in single-acting en dubbelwerkend als de kern, het combineren van materiële innovatie en structurele optimalisatie om de afdichtingsuitdagingen van de conventionele industrie naar extreme werkomstandigheden aan te gaan:
1. Hoogtepunten van de serie Zuigerafdichting Draai SEALS:
Hoge druk en anti-extrusie: RCK102/102R/104-serie zijn ontworpen voor hoge druk en de ondersteuningsstructuur wordt versterkt om zich aan te passen aan grote openingen en smalle groeven. RCK109H/120/122 en andere combinatieafdichtingen integreren geleideringen en elastomeren om de 35MPA+ hoge druklimiet te doorbreken, vooral geschikt voor mijnbouw en zware machines.
Dynamisch aanpassingsvermogen: RCK108/125/138 maakt gebruik van tetrluorethyleenmateriaal om stabiele afdichting te bereiken van extreem lage snelheid tot hoge snelheid (0,01 ~ 5 m/s), en de lage wrijvingskarakteristieken zijn geschikt voor het lopen van hydraulica en precisie -spuitgietapparatuur.
Extreme omgevingstolerantie: RCK119/139 is uitgerust met Mander Spring en PTFE-materiaal, dat corrosiebestendig en droogkleding is. Het brede temperatuurbereik van -40 ℃ ~ 200 ℃ omvat chemische, farmaceutische reactoren op hoge temperatuur en aseptische productielijnen voor voedsel.
2. Aangepaste ontwerp van de industrie:
Onderhoud en aanpassing: RCK116/216 vereenvoudigt het installatieproces en past zich aan de behoeften van oude cilinderherstel en snelle vervanging van voedselvulapparatuur aan.
Dubbel gemiddelde isolatie: RCK144/145 heeft een originele dubbele lipstructuur, die tegelijkertijd olie/water of gas/vloeistof gemengde media kan afdichten, geschikt voor complexe werkomstandigheden.
Korte slagoptimalisatie: RCK103/143 verbetert de inbeddingstabiliteit door de O-ringvoorbelasting om het risico op lekkage in hydraulische cilinders met kortdauwing te voorkomen.
3. Voordelen van kerntechnologie:
Materiaalwetenschap: de polyurethaanlip (RCK205) Olieopslagontwerp verlengt de levensduur van smeervrije pneumatiek en tetrluorethyleen (RCK108) houdt rekening met zowel slijtvastheid als chemische resistentie.
Structurele innovatie: back-to-back gids-ringen (RCK101), ondersteunende ring anti-twist (RCK120) en andere ontwerpen zorgen voor de duurzaamheid van afdichtingen onder vibratie en excentrieke belastingen.
We zijn toegewijd aan het leveren van "zegel-gids-resistente" geïntegreerde oplossingen voor 20+ industrieën zoals mijnbouwmachines, spuitgietapparatuur en medische hulpmiddelen, het balanceren van kosten en prestaties met gestandaardiseerde modules en op maat gemaakte diensten, klanten helpen onderhoudskosten te verlagen en de betrouwbaarheid van de apparatuur te verbeteren.
Productfuncties en toepassingen:
Zuigerafdichtingsafdichtingen zijn geschikt voor hydraulische cilinders en cilinders, standaard hydraulische cilinders en lopende hydraulische machines. De belangrijkste toepassingen zijn onder meer bouwmachines, agrarische machines, kranen en standaardcilinders.
Bij gebruik in de chemische industrie wordt het meestal gebruikt voor snelle cilinders en positioneringsmachines. Het kan ook worden gebruikt in de voedingsindustrie, de farmaceutische industrie en accumulatoren.
Voordelen
Zuigerafdichtingsafdichtingen zijn stabiel ingebed in de groef, met goede dynamische en statische afdichtingsprestaties, geen behoefte aan extra geleideringen, lage wrijving, geen hydraulisch kruipfenomeen, hoge slijtvastheid, goede anti-uitextrusieprestaties, goede thermische geleidbaarheid, breed toepasbaar temperatuurbereik en sterk residuele olie-rendement onder dynamische omstandigheden.

RCK101
Bestelgrootte
Φd ...... buitendiameter
Φd ...... binnendiameter
L ...... groove breedte
|
Oppervlakte -afwerking |
R tmax (μm) |
RA (μm) |
|
Glijdend oppervlak bijpassend rubber/polyurethaanafdichtingen Glijdensoppervlak bijpassende PTFE -afdichtingen |
≤2.5
≤2 |
≤0,1-0,5
≤0,05-0.3 |
|
Groef bodem Groefzijde |
≤6.3 ≤15 |
≤1,6 ≤3 |
|
TP Profielondersteuningslengteverhouding |
50%-95% |
|
|
Tolerantie |
|
|
Φd |
H10 |
|
Φd |
H9 |
Voorbeeld bestellen
Model: RCK101
Gruove maat: 100x84x10
Materiaal: RC-PU-H

Afzegeltype: RCK101, RCK102, RCK103, RCK104, RCK105, RCK205, RCK106, RCK107, RCK108, RCK118, RCK127
Hoofdtoepassing: geschikt voor hydraulische en pneumatische cilinders
Voordelen: het is stabiel wanneer ingebed in de groove, heeft een uitstekende dynamische en statische afdichtingsprestaties, is van toepassing op een breed temperatuurbereik en heeft een sterk resterende olie -retourvermogen onder dynamische omstandigheden.
Materiaal: polyurethaan, rubber
|
Seal Groove -voorbeelden |
De volgende zijn standaardgroefafmetingen (stofafdichtingen van elke grootte binnen het groottebereik kunnen worden geproduceerd) |
||||||||
|
|
|
Φd |
Φd |
L |
c/s |
Maximale extrusiekloof |
|||
|
100 bar |
250 bar |
400 bar |
|||||||
|
5-24.9 |
Φd-8 |
6 |
4 |
0.5 |
0.35 |
0.25 |
|||
|
25-49.9 |
Φd-10 |
7 |
5 |
0.5 |
0.35 |
0.25 |
|||
|
50-74.9 |
Φd-12 |
8 |
6 |
0.5 |
0.35 |
0.25 |
|||
|
75-149.9 |
Φd-16 |
10 |
8 |
0.5 |
0.35 |
0.25 |
|||
|
150-299.9 |
Φd-20 |
12 |
10 |
0.5 |
0.35 |
0.25 |
|||
|
300-500 |
Φd-24 |
18 |
12 |
0.5 |
0.35 |
0.25 |
|||
|
500-750 |
Φd-30 |
20 |
15 |
0.6 |
0.40 |
0.30 |
|||
|
> 750 |
Φd-40 |
26 |
20 |
0.7 |
0.45 |
0.35 |
|||

RCK108
Bestelgrootte
Φd ...... buitendiameter
Φd ...... binnendiameter
L ...... groove breedte
|
Oppervlakte -afwerking |
R tmax (μm) |
RA (μm) |
|
Glijdend oppervlak bijpassend rubber/polyurethaanafdichtingen Glijdensoppervlak bijpassende PTFE -afdichtingen |
≤2.5
≤2 |
≤0,1-0,5
≤0,05-0.3 |
|
Groef bodem Groefzijde |
≤6.3 ≤15 |
≤1,6 ≤3 |
|
TP Profielondersteuningslengteverhouding |
50%-95% |
|
|
Tolerantie |
|
|
Φd |
H10 |
|
Φd |
H9 |
Voorbeeld bestellen
Model: RCK108
Gruove maat: 100x84.5x6.3
Materiaal: PTFE3+NBR

SEAL Type: RCK108, RCK125, RCK140, RCK238, RCK138
Hoofdtoepassing: standaard hydraulische cilinders en mobiele hydraulische machines
Voordelen: lage wrijving, geen hydraulische kruip, hoge slijtvastheid, goede anti-extrusieprestaties, goede thermische geleidbaarheid, stabiele inbeddende groef, breed temperatuurbereik.
Materiaal: Tetrluorethyleen + nitrilrubber of fluorrubber, ultrahoogte hardheid polyurethaan + nitrilrubber
|
Seal Groove -voorbeelden |
De volgende zijn standaardgroefafmetingen (stofafdichtingen van elke grootte binnen het groottebereik kunnen worden geproduceerd) |
||||||||
|
|
|
Φd |
Φd |
L |
c/s |
Maximale extrusiekloof |
|||
|
100 bar |
250 bar |
400 bar |
|||||||
|
8-14.9 |
Φd-4.9 |
2.2 |
2.45 |
0.30 |
0.20 |
0.15 |
|||
|
15-39.9 |
Φd-7.5 |
3.2 |
3.75 |
0.40 |
0.25 |
0.15 |
|||
|
40-79.9 |
Φd-11 |
4.2 |
5.5 |
0.40 |
0.25 |
0.20 |
|||
|
80-132.9 |
Φd-15.5 |
6.3 |
7.75 |
0.50 |
0.30 |
0.20 |
|||
|
133-329.9 |
Φd-21 |
8.1 |
10.5 |
0.60 |
0.35 |
0.25 |
|||
|
330-669.9 |
Φd-244.5 |
8.1 |
12.25 |
0.60 |
0.35 |
0.25 |
|||
|
670-1000 |
Φd-28 |
9.5 |
14 |
0.70 |
0.50 |
0.30 |
|||
|
> 1000 |
Φd-38 |
13.8 |
19 |
1.00 |
0.70 |
0.60 |
|||

RCK109N
Bestelgrootte
Φd ...... buitendiameter
Φd ...... binnendiameter
Φd1 ...... binnendiameter
L ...... groove breedte
L1 ...... groove breedte
|
Oppervlakte -afwerking |
R tmax (μm) |
RA (μm) |
|
Glijdend oppervlak bijpassend rubber/polyurethaanafdichtingen Glijdensoppervlak bijpassende PTFE -afdichtingen |
≤2.5
≤2 |
≤0,1-0,5
≤0,05-0.3 |
|
Groef bodem Groefzijde |
≤6.3 ≤15 |
≤1,6 ≤3 |
|
TP Profielondersteuningslengteverhouding |
50%-95% |
|
|
Tolerantie |
|
|
Φd |
H10 |
|
Φd |
H9 |
Voorbeeld bestellen
Model: RCK109N
Gruove maat: 100x80x95x25/36
Materiaal: RC-PU-H+NBR+POM

Afzegeltype: RCK109, RCK117
Hoofdtoepassing: bouwmachines, landbouwmachines, kranen, standaard cilinders
Voordelen: uitstekende statische en dynamische afdichting, geen behoefte aan aanvullende geleideringen, anti-extrusie, anti-vervormingsstructuur, geschikt voor werkomstandigheden met snelle drukveranderingen.
Materiaal: polyurethaan, rubber, polyurethaan, tetrluorethyleen
|
Seal Groove -voorbeelden |
De volgende zijn standaardgroefafmetingen (stofafdichtingen van elke grootte binnen het groottebereik kunnen worden geproduceerd) |
||||||
|
|
|
Φd |
Φd |
FD1 |
L |
L1 |
|
|
20-44.9 |
Φd-10 |
Φd-3 |
12.5 |
20.5 |
|||
|
50-79.9 |
Φd-15 |
Φd-4 |
20 |
28 |
|||
|
80-144.9 |
Φd-20 |
Φd-5 |
25 |
36 |
|||
|
150-399.9 |
Φd-25 |
Φd-6 |
32 |
46 |
|||
|
400-750 |
Φd-30 |
Φd-8 |
36 |
50 |
|||
|
> 750 |
Φd-40 |
Φd-8 |
40 |
54 |
|||

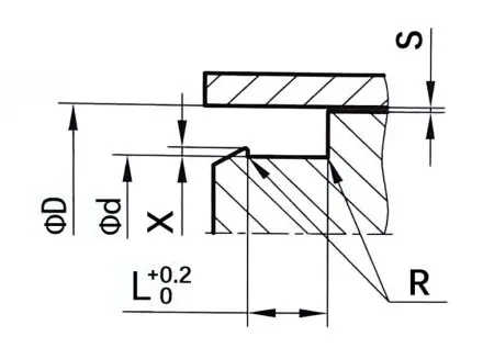
RCK119
Bestelgrootte
Φd ...... buitendiameter
Φd ...... binnendiameter
L ...... groove breedte
|
Oppervlakte -afwerking |
R tmax (μm) |
RA (μm) |
|
Glijdend oppervlak bijpassend rubber/polyurethaanafdichtingen Glijdensoppervlak bijpassende PTFE -afdichtingen |
≤2.5
≤2 |
≤0,1-0,5
≤0,05-0.3 |
|
Groef bodem Groefzijde |
≤6.3 ≤15 |
≤1,6 ≤3 |
|
TP Profielondersteuningslengteverhouding |
50%-95% |
|
|
Tolerantie |
|
|
Φd |
H10 |
|
Φd |
H9 |
Voorbeeld bestellen
Model: RCK119
Gruove maat: 100x90.6x7.1
Materiaal: PTFE4 + V

SEAL Type: RCK119
Hoofdtoepassing: chemische industrie, snelle cilinders en positioneringsmachines, voedingsindustrie, farmaceutische industrie, accumulatoren.
Voordelen: resistent tegen hoge temperaturen en verschillende chemische media, lage wrijvingscoëfficiënt, geen kruip, goede droge wrijvingskenmerken, lage statische en dynamische wrijvingswaarden.
Materiaal: PTFE+bladveer
|
Seal Groove -voorbeelden |
De volgende zijn standaardgroefafmetingen (stofafdichtingen van elke grootte binnen het groottebereik kunnen worden geproduceerd) |
|||||||||
|
|
|
Φd |
Φd |
L |
R |
X |
Maximale extrusiekloof |
|||
|
100 bar |
250 bar |
400 bar |
||||||||
|
14-24.9 |
D-4.5 |
3.6 |
0.4 |
0.6 |
0.15 |
0.10 |
0.07 |
|||
|
25-45.9 |
D-6.2 |
4.8 |
0.6 |
0.7 |
0.20 |
0.15 |
0.08 |
|||
|
46-124.9 |
D-9.4 |
7.1 |
0.8 |
0.8 |
0.25 |
0.25 |
0.10 |
|||
|
125-1000 |
D-12 |
9.5 |
0.8 |
0.9 |
0.30 |
0.30 |
0.12 |
|||
|
> 1000 |
D-19.0 |
15 |
0.8 |
0.9 |
0.50 |
0.50 |
0.20 |
|||























































































Adres
No.1 Ruichen Road, Dongliuting Industrial Park, Chengyang District, Qingdao City, provincie Shandong, China
Tel
E-mailen