We zijn toegewijd aan het bieden van een "Beschermingsdrukweerstandslange" Trinity-oplossing voor elk scenario dat het draaien van roterende afdichtingen vereist. Via 200+ materiële formules en structurele octrooien helpen we klanten de faalpercentages te verlagen en TCO -optimalisatie te bereiken. De hele reeks productmodellen is zeer divers. U kunt kiezen volgens de werkelijke behoeften, of het draaien van roterende afdichtingen van ons aanpassen.
RCR101 Roterend skelet enkele lipafdichting, enkel werking, axiale open groefinstallatie, veel gebruikt, meestal gebruikt als een beschermend element voor lagers.
RCR102 Roterend skelet dubbele lipafdichting, enkel werking, met stofdichte hulplip, axiale open groefinstallatie, veel gebruikt, meestal gebruikt als een beschermend element voor lagers.
RCR103 roterende afdichting, dubbelwerkend, met ondersteuningsring, beter afdichtingseffect onder roterende afdichtingsomstandigheden met hoge druk.
RCR104, RCR105 roterende afdichting, dubbelwerkend, smalle groef, stabiele groef inbedden en getand afdichtingsoppervlak.
RCR106, RCR107 V-vormige roterende afdichting, axiale beweging, grote elastische modulus, wrijvingsweerstand, stof, verontreinigende stoffen, waterspat, oliespat, enz.
RCR108 roterende afdichting, enkel werking, geen veer, de interferentie van binnen- en buitenlippen wordt bepaald volgens verschillende werkomstandigheden.
RCR109 O-ring, elastische ring meestal gebruikt voor statische afdichting of dynamische afdichting, flexibele temperatuurmediumselectie. Raadpleeg het O-ringmonster voor gedetailleerde grooves.
RCR110 Rotary Tetrluorethyleenafdichting voor as, dubbelwerkend, geschikt voor smalle groeven.
RCR111 Rotary tetrluorethyleenafdichting voor gat, dubbelwerkend, geschikt voor smalle groeven.
RCR112 roterende afdichting, dubbelwerkende, smalle groef, geschikt voor gesmeerde werkomstandigheden.
RCR113 roterende afdichting, dubbelwerkend, met ondersteuningsring, stabiele groef inbedden, waardoor een grotere extrusiekloof en druk mogelijk is, meestal gebruikt op de roterende as van graafapparatuur.
RCR115 Rotary Tetrluorethyleenafdichting voor as, dubbelwerkend, lage wrijving, anti-zijde hoge druk, anti-hoge temperatuurcorrosie.
RCR116 Rotary tetrluorethyleenafdichting voor gat, dubbelwerkend, lage wrijving, anti-zijde hoge druk, anti-hoge temperatuurcorrosie.
RCR117, RCR121 Rotary PTFE -afdichting, met Manderveer, enkel werking, hoge temperatuurcorrosieweerstand, geschikt voor relatief hoge snelheid en hoge druk.
RCR118 END PTFE Rotary afdichting, met Mander Spring, Single Acting, High Temperature Corrosion Resistance, meestal gebruikt in de chemische industrie.
RCR119 Roterend skelet enkele lipafdichting, enkel werking, axiale open groefinstallatie, veel gebruikt, meestal gebruikt als een beschermend element voor lagers.
RCR201, RCR202 Roterend skelet dubbele lipafdichting, enkel werking, met stofdichte hulplip, axiale open groefinstallatie, veel gebruikt, meestal gebruikt als een beschermend element voor lagers.
RCR203, RCR204 roterende skeletvrije enkele lipafdichting, enkelwerkend, axiale open groef armatuur vaste installatie, meestal gebruikt in zware industrieën zoals metallurgie en scheepsbouw.
RCR205 afgesneden roterende skeletvrije enkele lipafdichting, enkelwerkende, axiale open groef armatuur vaste installatie, meestal gebruikt in zware industrieën zoals metallurgie en scheepsbouw.
RCR206, RCR207 Cut-off Rotary Frameless enkele lipafdichting, enkelwerkend, axiale open groef armatuur vaste installatie, meestal gebruikt in zware industrieën zoals metallurgie en scheepsbouw. Geschikt voor lage snelheid afdichting, is het afdichtingsmedium op lithiumgebaseerd vet.
Productfuncties en toepassingen:
Hoofdtoepassingen
Het draaien van roterende afdichtingen zijn geschikt voor de afdichting van de roterende as, roterende asafdichting, graafmachines, grabbers, roterende gewrichten, roterende distributeurs, en dit type afdichting wordt vaak gebruikt in de aardolie- en chemische industrie
Voordelen
Het draaien van roterende afdichtingen hebben een breed bereik van aanpasbare media en temperatuurbereiken, goed afdichtingseffect, hoge drukweerstand, kleine dwarsdoorsnede, hydraulische olieweerstand, lage wrijving en geen stick-slip fenomeen.

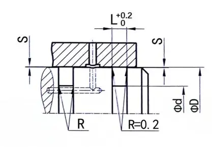
RCR101
Bestelgrootte
Φd ...... buitendiameter
Φd ...... binnendiameter
L ...... groove breedte
|
Oppervlakte -afwerking |
R tmax (μm) |
RA (μm) |
|
Glijdend oppervlak bijpassend rubber/polyurethaanafdichtingen Glijdensoppervlak bijpassende PTFE -afdichtingen |
≤2.5
≤2 |
≤0,1-0,5
≤0,05-0.3 |
|
Groef bodem Groefzijde |
≤6.3 ≤15 |
≤1,6 ≤3 |
|
TP Profielondersteuningslengteverhouding |
50%-95% |
|
|
Tolerantie |
|
|
Φd |
F8 |
|
Φd |
H8 |
Voorbeeld bestellen
Model: RCR101
Gruove maat: 100x115x8
Materiaal: NBR/POM

SEAL TYPE: RCR101, RCR102
Hoofdtoepassing: Geschikt voor het afdichten van de roterende asuiteinde
Voordelen: geschikt voor een breed scala aan media, een breed temperatuurbereik en een goed afdichtingseffect
Materiaal: polyurethaan, rubber/polyoxymethyleen
|
Seal Groove -voorbeelden |
De volgende zijn standaardgroefafmetingen (roterende afdichtingen van elke grootte binnen het groottebereik kunnen worden geproduceerd) |
|||||
|
|
|
Φd |
Φd |
L |
c/s |
|
|
6-59.9 |
Φd+12 |
7 |
6 |
|||
|
60-139.9 |
Φd+15 |
8 |
7.5 |
|||
|
140-299.9 |
Φd+20 |
10 |
10 |
|||
|
300-499.9 |
Φd+30 |
12 |
15 |
|||
|
500-800 |
Φd+40 |
20 |
20 |
|||
|
> 800 |
Φd+50 |
22 |
25 |
|||

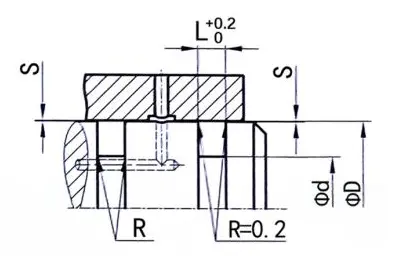
RCR115
Bestelgrootte
Φd ...... buitendiameter
Φd ...... binnendiameter
L ...... groove breedte
|
Oppervlakte -afwerking |
R tmax (μm) |
RA (μm) |
|
Glijdend oppervlak bijpassend rubber/polyurethaanafdichtingen Glijdensoppervlak bijpassende PTFE -afdichtingen |
≤2.5
≤2 |
≤0,1-0,5
≤0,05-0.3 |
|
Groef bodem Groefzijde |
≤6.3 ≤15 |
≤1,6 ≤3 |
|
TP Profielondersteuningslengteverhouding |
50%-95% |
|
|
Tolerantie |
|
|
Φd |
F8 |
|
Φd |
H8 |
Voorbeeld bestellen
Model: RCR115
Gruove maat: 100x111x4.2
Materiaal: PTFE4+NBR

SEAL Type: RCR115
Hoofdtoepassing: Geschikt voor afdichtingen van roterende as, graafmachines, grijpers, zwenkverbindingen.
Voordelen: het kan weerstand bieden aan hoge druk, heeft een kleine dwarsdoorsnede, is bestand tegen hydraulische olie, heeft een lage wrijving en geen stick-slip fenomeen.
Materiaal: Tetrluorethyleen + nitrilrubber of fluorubber
|
Seal Groove -voorbeelden |
De volgende zijn standaardgroefafmetingen (roterende afdichtingen van elke grootte binnen het groottebereik kunnen worden geproduceerd) |
||||||||
|
|
|
Φd |
Φd |
L |
R |
X |
Maximale extrusiekloof |
||
|
100 bar |
200 bar |
||||||||
|
6-18.9 |
Φd+4.9 |
2.2 |
0.4 |
1.78 |
0.15 |
0.10 |
|||
|
19-37.9 |
Φd+7.5 |
3.2 |
0.6 |
2.62 |
0.20 |
0.15 |
|||
|
38-199.9 |
Φd+11 |
4.2 |
1.0 |
3.53 |
0.25 |
0.20 |
|||
|
200-255.9 |
Φd+15.5 |
6.3 |
1.3 |
5.33 |
0.30 |
0.25 |
|||
|
256-649.9 |
Φd+21 |
8.1 |
1.8 |
7.00 |
0.30 |
0.25 |
|||
|
> 650 |
Φd+28 |
9.5 |
2.5 |
8.40 |
0.45 |
0.30 |
|||

RCR116
Bestelgrootte
Φd ...... buitendiameter
Φd ...... binnendiameter
L ...... groove breedte
|
Oppervlakte -afwerking |
R tmax (μm) |
RA (μm) |
|
Glijdend oppervlak bijpassend rubber/polyurethaanafdichtingen Glijdensoppervlak bijpassende PTFE -afdichtingen |
≤2.5
≤2 |
≤0,1-0,5
≤0,05-0.3 |
|
Groef bodem Groefzijde |
≤6.3 ≤15 |
≤1,6 ≤3 |
|
TP Profielondersteuningslengteverhouding |
50%-95% |
|
|
Tolerantie |
|
|
Φd |
F8 |
|
Φd |
H8 |
Voorbeeld bestellen
Model: RCR116
Gruove maat: 100x89x4.2
Materiaal: PTFE4+NBR

SEAL Type: RCR116
Hoofdtoepassing: Geschikt voor de afdichtingen van roterende as, graafmachines, grabbers, roterende gewrichten, roterende distributeurs.
Voordelen: het is geschikt voor een breed scala aan media en temperatuur, heeft een goed afdichtingseffect, kleine dwarsdoorsnede, sterke weerstand tegen hydraulische olie, lage wrijving en geen stick-slip fenomeen.
Materiaal: Tetrluorethyleen + nitrilrubber of fluorubber
|
Seal Groove -voorbeelden |
De volgende zijn standaardgroefafmetingen (roterende afdichtingen van elke grootte binnen het groottebereik kunnen worden geproduceerd) |
||||||||
|
|
|
Φd |
Φd |
L |
R |
O-ring |
Maximale extrusiekloof |
||
|
100 bar |
200 bar |
||||||||
|
8-39.9 |
Φd-4.9 |
2.2 |
0.4 |
1.78 |
0.15 |
0.10 |
|||
|
40-79.9 |
Φd-7.5 |
3.2 |
0.6 |
2.62 |
0.20 |
0.15 |
|||
|
80-132.9 |
Φd-11.0 |
4.2 |
1.0 |
3.53 |
0.25 |
0.20 |
|||
|
133-329.9 |
Φd-15.5 |
6.3 |
1.3 |
5.33 |
0.30 |
0.25 |
|||
|
330-669.9 |
Φd-21.0 |
8.1 |
1.8 |
7.00 |
0.30 |
0.25 |
|||
|
> 670 |
Φd-28.0 |
9.5 |
2.5 |
8.40 |
0.45 |
0.30 |
|||

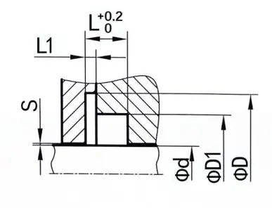
RCR117
Bestelgrootte
Φd ...... buitendiameter
Φd1 ...... buitendiameter
Φd ...... binnendiameter
L ...... groove breedte
L1 ...... groove breedte
|
Oppervlakte -afwerking |
R tmax (μm) |
RA (μm) |
|
Glijdend oppervlak bijpassend rubber/polyurethaanafdichtingen Glijdensoppervlak bijpassende PTFE -afdichtingen |
≤2.5
≤2 |
≤0,1-0,5
≤0,05-0.3 |
|
Groef bodem Groefzijde |
≤6.3 ≤15 |
≤1,6 ≤3 |
|
TP Profielondersteuningslengteverhouding |
50%-95% |
|
|
Tolerantie |
|
|
Φd |
F8 |
|
Φd |
H8 |
Voorbeeld bestellen
Model: RCR117
Gruove maat: 100x117.5x110.5x7.1x1.8
Materiaal: PTFE4+V

SEAL Type: RCR117
Hoofdtoepassing: Geschikt voor het afdichten van de roterende asuiteinde, wordt dit type afdichting vaak gebruikt in de petroleum- en chemische industrie
Voordelen: lage wrijving, corrosieweerstand, weerstand van hoge temperatuur, geschikt voor hoge snelheid
Materiaal: PTFE, roestvrijstalen veer
|
Seal Groove -voorbeelden |
De volgende zijn standaardgroefafmetingen (roterende afdichtingen van elke grootte binnen het groottebereik kunnen worden geproduceerd) |
|||||||||
|
|
|
Φd |
Φd |
FD1 |
L |
L1 |
Maximale extrusiekloof |
|||
|
20 bar |
100 bar |
200 bar |
||||||||
|
5-19.9 |
Φd+9 |
Φd+5 |
3.6 |
0.85 |
0.25 |
0.15 |
0.10 |
|||
|
20-39.9 |
Φd+12.5 |
Φd+7 |
4.8 |
1.35 |
0.35 |
0.20 |
0.15 |
|||
|
40-399.9 |
Φd+17.5 |
Φd+10.5 |
7.1 |
1.8 |
0.50 |
0.25 |
0.20 |
|||
|
≥400 |
Φd+22 |
Φd+14 |
9.5 |
2.8 |
0.60 |
0.30 |
0.25 |
|||



















































Adres
No.1 Ruichen Road, Dongliuting Industrial Park, Chengyang District, Qingdao City, provincie Shandong, China
Tel
E-mailen