Hydraulische stofafdichtingen is een van de afdichtingsproducten die Ruichen -afdichtingen kunnen produceren. U kunt in dit type product over verschillende modellen leren en kunt ook structurele combinaties maken. Indien nodig kunt u ook contact met ons opnemen voor hulp of aangepaste oplossingen, of contact met ons opnemen om een voorbeeldboek te verkrijgen.
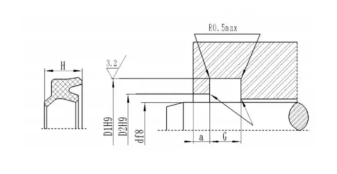
RCF01 en RCF02 zijn tweerichtingsstofafdichtingen samengesteld uit een dubbele lip stofafdichtingsring gevuld met anti-wear PTFE-materiaal en een O-vormige rubberen ring. De O-ring biedt voorbelasting om de slijtage van de PTFE-ring te compenseren. RCF01 is geschikt voor zware gelegenheden, zoals stoffige of koude omgevingen en hoogfrequente wederzijdse beweging. Splitgroeven moeten worden gebruikt voor asdiameters minder dan 30 mm. RCF02 is geschikt voor heen en weer bewegende beweging, swing- of spiraalvormige bewegingsomstandigheden.
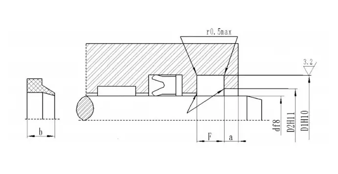
RCF03 is een eenrichtingsstofring bestaande uit een enkele lip stofschraperring gevuld met PTFE-materiaal en een O-vormige rubberen ring. De functie is om stof weg te schrapen en te voorkomen dat het systeem vervuild is. Het is geschikt voor wederzijdse beweging, slingerende of spiraalvormige bewegingsomstandigheden.
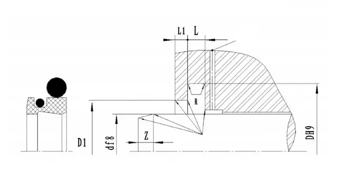
RCF04 en RCF05 zijn dubbele lip stofringen samengesteld uit een speciaal gevormde ring met een afdichtlip en een stofdichte lip en twee O-ringen als voorlaadelementen, die worden gebruikt om de algehele afdichting te verbeteren. Het heeft de kenmerken van een lange levensduur, lage wrijving, geen viscositeit en hoge betrouwbaarheid. RCF04 wordt voornamelijk gebruikt in agrarische machines, hydraulische persen, spuitgietmachines, hydraulische besturingssystemen, vorkheftrucks, rollende machines, kranen en laad- en losmachines. RCF05 wordt voornamelijk gebruikt in hydraulische persen, spuitgietmachines, rollende machines, metallurgische machines, enz. Het is met name geschikt voor stofveilige afdichtingen van zuigerstaven met grote diameter.
DHS-stofring is een stofring met dubbele functie, die zowel een goed stofdichte effect als bepaalde afdichtingsoliefilmfunctie heeft. De materialen zijn krachtige polyurethaan, nitrilrubber en fluororubber.
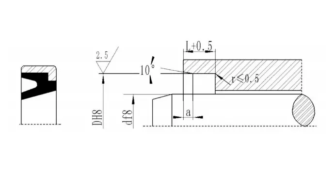
J-vormig en Ja-vormig worden gebruikt voor het bespreken van hydraulische cilinderzuigerstaven of klepstelen om stof te schrapen. De materialen zijn polyurethaan (TPU/CPU) en rubber. De groeven en productafmetingen en toleranties voldoen aan JB/T6657-93 en JB/T6656-93.
Dustring GSM wordt gebruikt om te voorkomen dat externe verontreinigende stoffen zich mengen in het hydraulische systeem en afdichtsysteem, en kan de hydraulische olie terugbrengen naar het smeersysteem zonder naar buiten te lekken, wat het effect heeft van hulpafdichting. De materialen zijn nitrilrubber, fluororubber en polyurethaan.
GP1- en GP6 -stofringen worden gebruikt om te voorkomen dat verontreinigende stoffen zich mengen in het hydraulische systeem en afdichtsysteem. Het materiaal is nitrilrubber NBR en fluororubber FKM is geselecteerd bij hoge temperatuur. GP6 wordt voornamelijk gebruikt voor stofdichte afdichting van zuigerstaven met grote diameter.
AF -type stofring wordt gebruikt om te voorkomen dat stof, vuil, zand en metalen chips de hydraulische cilinder betreden. Verminder het risico op krassen veroorzaakt door externe verontreinigingen ingebed in schuifelementen. Uitstekend stofdicht effect kan worden bereikt door het speciale ontwerp van de stofdichte ringlip. De ring heeft de kenmerken van sterke slijtvastheid, kleine permanente vervorming en weerstand tegen externe mechanische impact. De stofdichte ring kan stevig worden geïnstalleerd in de juiste positie van de axiale open groef met behulp van de interferentie -pasvorm tussen de buitendiameter van de afdichtingsgroef en het metaal. De pasvorm is gelijk, dus de lip is zeer beschermend tegen schade veroorzaakt door externe redenen. Vanuit technisch perspectief is de AF -stofdichte ring een geschikt cilinderkopafdichtingsapparaat.
Productfuncties en toepassingen:
Bestel voorbeeld:
Bestelmodel RCF01-80-PTFE3-R01
RCF01-model 80-as diameter PTFE3-generaal Modified PTFE R01-matching rubberen materiaalcode
Nitrilrubber (NBR)-R01 Fluororubber (FKM) -R02
Bestelmodel RCF02-80-PTFE3-R01
RCF02-model 80-as diameter PTFE3-universele gemodificeerde PTFE R01-matching rubber materiaalcode
Nitrilrubber (NBR)-R01 Fluororubber (FKM) -R02
Bestelmodel RCF03-80-PTFE3-R01
RCF03-model 80-as diameter PTFE3-universele gemodificeerde PTFE R01-matching rubber materiaalcode
Nitrilrubber (NBR)-R01 Fluororubber (FKM) -R02
Bestelmodel RCF04-80-PTFE3-R01
RCF04-model 80-as diameter PTFE3-universele gemodificeerde PTFE R01-matching rubber materiaalcode
Nitrilrubber (NBR) -R01 Fluororubber (FKM) -R02
Bestelmodel RCF05-80-PTFE3-R01
RCF05-model 80-as diameter PTFE3-generaal Modified PTFE RO1-matching rubber materiaalcode
Nitrilrubber (NBR) -R01 Fluororubber (FKM) -R02
Bestelmodel: DHS-130*143*8/9.5-R01 D*D1*G/H
J-type stofafdichting
JA -type stofafdichting
GSM
De stofafdichting GSM is gemarkeerd met het bestelnummer, voorbeeld: GSM4048 40-as diameter D 48-groef bodemdiameter d
Gp1
Markering Voorbeeld: gp1-70*82*4/8 Model-d*d*l/h
Gp6
Markeringsmethode: gp6-70*80.6*5.3/7 Model-d*d*l/h
VAN
DKB
Specificaties
RCF01| Schacht diameter bereik D F8 |
Groefdiameter D H9 |
Groefbreedte L+0.2 |
Open gatdiameter D1H11 | Open gatbreedte een ≥ |
Afgeronde hoeken R≤ |
O-ring draaddiameter DO |
| 19 ~ 39 | D+7.6 | 4.2 | D+1.5 | 3 | 0.8 | 2.65 |
| 40 ~ 69 | D+8.8 | 6.3 | D+1.5 | 3 | 0.8 | 2.65 |
| 70 ~ 139 | D+12.2 | 8.1 | D+2.0 | 4 | 0.8 | 3.55 |
| 140 ~ 399 | D+16.0 | 9.5 | D+2.5 | 5 | 1.5 | 5.30 |
| 400 ~ 649 | D+24.0 | 14.0 | D+2.5 | 8 | 1.5 | 7.00 |
| 650 ~ 1500 | D+27.3 | 16.0 | D+2.5 | 10 | 2.0 | 8.60 |
| Schacht diameter bereik D F8 |
Groefdiameter D H9 |
Groefbreedte L+0.2 |
Open gatdiameter D1H11 | Open gatbreedte een ≥ |
Afgeronde hoeken R≤ |
O-ring draaddiameter DO |
| 4 ~ 11 | D+4.8 | 3.7 | D+1.5 | 2 | 0.4 | 1.80 |
| 12 ~ 64 | D+6.8 | 5.0 | D+1.5 | 2 | 0.7 | 2.65 |
| 65 ~ 250 | D+8.8 | 6.0 | D+1.5 | 3 | 1.0 | 3.55 |
| 251 ~ 420 | D+12.2 | 8.4 | D+2.0 | 4 | 1.5 | 5.30 |
| 421 ~ 650 | D+16.0 | 11.0 | D+2.0 | 4 | 1.5 | 7.00 |
| 651 ~ 1500 | D+20.0 | 14.0 | D+2.5 | 5 | 2.0 | 8.60 |
| Schacht diameter bereik D F8 |
Groefdiameter Dh9 |
Stappendiameter D1 H11 |
Groefbreedte L+0.2 |
Totale breedte L1 |
Afgeronde hoeken Rmax |
Afschuining Zan |
| 20 ~ 39.9 | D+7.6 | D+1 | 4.2 | 8.2 | 0.4 | 3 |
| 40 ~ 69.9 | D+8.8 | D+1.5 | 6.3 | 10.3 | 1.2 | 4 |
| 70 ~ 139.9 | D+12.2 | D+2.0 | 8.1 | 12.1 | 2 | 6 |
| 140 ~ 399.9 | D+16.0 | D+2.0 | 11.5 | 15.5 | 2 | 8 |
| 400 ~ 649.9 | D+24.0 | D+2.5 | 15.5 | 19.5 | 2 | 10 |
| 650 ~ 1000 | D+27.3 | D+2.5 | 18.0 | 23.0 | 2 | 12 |
| Schacht diameter bereik D F8 |
Groefdiameter Dh9 |
Stappendiameter D1 H11 |
Groefbreedte L+0.2 |
Zijbreedte L1 |
Afgeronde hoeken Rmax |
Afschuining Zan |
| 100 ~ 229 | D+22.2 | D+10.7 | 6.3 | 4.2 | 1.2 | 6 |
| 230 ~ 299 | D+24.2 | D+10.7 | 6.3 | 4.2 | 1.2 | 8 |
| 300 ~ 629 | D+33.0 | D+15.1 | 8.1 | 6.3 | 1.2 | 10 |
| 630 ~ 1000 | D+36.5 | D+15.1 | 9.5 | 6.3 | 2 | 12 |
| Productnummer | d | D1 | H | G+0.3 | D2 | a |
| DHS 12 | 12 | 20 | 6 | 5 | 16.3 | 2 |
| DHS 14 | 14 | 22 | 6 | 5 | 18.3 | 2 |
| DHS 16 | 16 | 24 | 6 | 5 | 20.3 | 2 |
| DHS 18 | 18 | 26 | 6 | 5 | 22.3 | 2 |
| DHS 20 | 20 | 28 | 6 | 5 | 24.3 | 2 |
| DHS 22 | 22 | 30 | 6 | 5 | 26.3 | 2 |
| DHS 25 | 25 | 33 | 6 | 5 | 29.3 | 2 |
| DHS 28 | 28 | 36 | 6 | 5 | 32.3 | 2 |
| DHS 30 | 30 | 38 | 6.5 | 6 | 34 | 2 |
| DHS 32 | 32 | 40 | 6.5 | 6 | 36 | 2 |
| DHS 35 | 35 | 43 | 6.5 | 6 | 39 | 2 |
| DHS 38 | 38 | 46 | 6.5 | 6 | 42 | 2 |
| DHS 40 | 40 | 48 | 6.5 | 6 | 44 | 2 |
| DHS 45 | 45 | 53 | 6.5 | 6 | 49 | 2 |
| DHS 48 | 48 | 56 | 6.5 | 6 | 52 | 2 |
| DHS 50 | 50 | 58 | 6.5 | 6 | 54 | 2 |
| DHS 55 | 55 | 63 | 6.5 | 6 | 59 | 2 |
| DHS 56 | 56 | 64 | 6.5 | 6 | 60 | 2 |



























































Adres
No.1 Ruichen Road, Dongliuting Industrial Park, Chengyang District, Qingdao City, provincie Shandong, China
Tel
E-mailen